聯系人:陳錫烽
手 機:13815981616 15295238777
電 話:0523-84569016 84553205
傳 真:0523-84561364
地 址:江蘇省泰州市靖江市城北園區富前路88號
SDF系列隧道式高效軸流風機 |
![]() |
一、SDF型隧道式軸流風機概述
SDF型隧道式軸流風機主要用于地下隧道通風換氣,亦可用于鐵路隧道、山洞及地下工程和建筑物的通風換氣。是一種高壓力、低噪聲、高效軸流風機。葉輪直徑自350-1120mm,分為№3.5、№4、№4.5、№5.6、№6.3、№7、№8、№9、№10、№11.2等到11種機號的風機,對某些機號的風機,又根據用戶要求制成幾種葉角,供用戶選用。該型風機經實測表明,其主要技術指標達到了國外同類產品的水平。
二、SDF型隧道式軸流風機結構和型號說明
1、本風機由葉輪、風筒、電機及一些聯接件、支承件組成,為電機內置式結構,葉輪直接裝在電機軸上直聯轉動,葉輪后又設氣流導向葉片。
2、示例:SDF-8Ⅰ表示葉輪直徑為800mm的隧道式軸流風機,Ⅰ表示不同的葉片角度。
注:風機的性能參數及結構尺寸,本公司若有變更,恕不另行通知。不同型號詳細參數表:
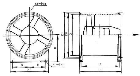
SDF系列隧道式高效軸流風機外形及安裝尺寸表

|
型號 |
A |
B |
D |
D0 |
D1 |
E |
F |
n1 |
Φd1 |
n2 |
Φd2 |
H |
N(kW) |
|
3.5 |
280 |
120 |
356 |
394 |
422 |
340 |
380 |
8 |
12 |
2*2 |
10 |
240 |
0.75 |
|
4 |
360 |
150 |
406 |
444 |
472 |
356 |
400 |
8 |
12 |
2*2 |
10 |
266 |
0.75 |
|
4.5 |
360 |
150 |
456 |
492 |
522 |
356 |
400 |
8 |
12 |
2*2 |
12 |
290 |
1.1 |
|
5 |
360 |
150 |
506 |
544 |
572 |
456 |
500 |
8 |
12 |
2*2 |
12 |
316 |
1.1 |
|
5.6 |
360 |
150 |
566 |
604 |
632 |
556 |
600 |
12 |
12 |
2*2 |
14 |
342 |
2.2 |
|
6.3 |
400 |
160 |
636 |
674 |
702 |
555 |
700 |
12 |
12 |
2*2 |
14 |
380 |
3 |
|
7 |
450 |
185 |
708 |
760 |
796 |
646 |
700 |
12 |
14 |
2*2 |
14 |
430 |
5.5 |
|
8 |
520 |
220 |
808 |
860 |
896 |
640 |
700 |
16 |
14 |
2*3 |
14 |
480 |
5.5-7.5 |
|
9 |
600 |
260 |
908 |
970 |
1016 |
820 |
880 |
16 |
14 |
2*3 |
14 |
540 |
7.5-11 |
|
10 |
600 |
260 |
1008 |
1070 |
1116 |
820 |
890 |
16 |
14 |
2*3 |
14 |
600 |
7.5-11 |
|
11.2 |
640 |
280 |
1128 |
1190 |
1236 |
960 |
1020 |
20 |
18 |
2*3 |
14 |
660 |
18.5 |
SDF系列隧道式高效軸流風機性能參數表
|
型號 |
葉輪直徑(mm) |
風量(m3/h) |
全壓 (Pa) |
全壓 (mmH2O) |
轉速 (r/min) |
裝機容量(kW) |
****弦長(mm) |
噪聲 dB(A) |
日本JIS噪聲值點 ηmax |
|
3.5 |
350 |
4000 |
343 |
35 |
2900 |
0.75 |
149 |
≤74 |
76 |
|
4 |
400 |
5000 |
343 |
35 |
2900 |
0.75 |
137 |
≤75 |
77 |
|
4.5 |
450 |
6500 |
343 |
35 |
2900 |
1.1 |
129 |
≤76 |
78 |
|
5 |
500 |
8000 |
343 |
35 |
1450 |
1.1 |
335 |
≤77 |
79 |
|
5.6 |
560 |
12000 |
441 |
45 |
1450 |
2.2 |
403 |
≤81 |
83 |
|
6.3I |
630 |
17000 |
490 |
50 |
1450 |
3 |
371 |
≤83 |
86 |
|
6.3II |
630 |
18000 |
490 |
50 |
1450 |
3 |
367 |
≤83 |
86 |
|
7 |
700 |
26000 |
588 |
60 |
1450 |
5.5 |
386 |
≤87 |
89 |
|
8I |
800 |
30000 |
441 |
45 |
1450 |
5.5 |
276 |
≤85 |
87 |
|
8II |
800 |
30000 |
539 |
55 |
1450 |
7.5 |
320 |
≤86 |
88 |
|
9I |
900 |
35000 |
588 |
60 |
960 |
7.5 |
564 |
≤88 |
90 |
|
9II |
900 |
40000 |
588 |
60 |
1450 |
11 |
363 |
≤90 |
92 |
|
10I |
1000 |
40000 |
490 |
50 |
960 |
7.5 |
430 |
≤87 |
89 |
|
10II |
1000 |
48000 |
588 |
60 |
960 |
11 |
500 |
≤89 |
92 |
|
10III |
1000 |
50000 |
686 |
70 |
1450 |
11 |
378 |
≤90 |
92 |
|
11.2 |
1120 |
60000 |
686 |
70 |
960 |
18.5 |
507 |
≤91 |
94 |
[上一個: DZ系列低噪聲軸流風機 ]
[下一個: T35系列軸流通風機 ]







